工事現場、工場・倉庫、農場などの
管理地への出入り口に
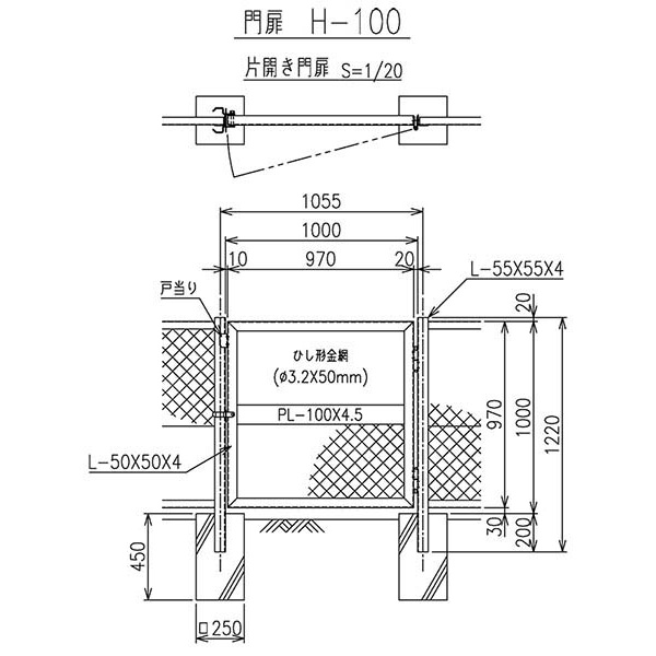
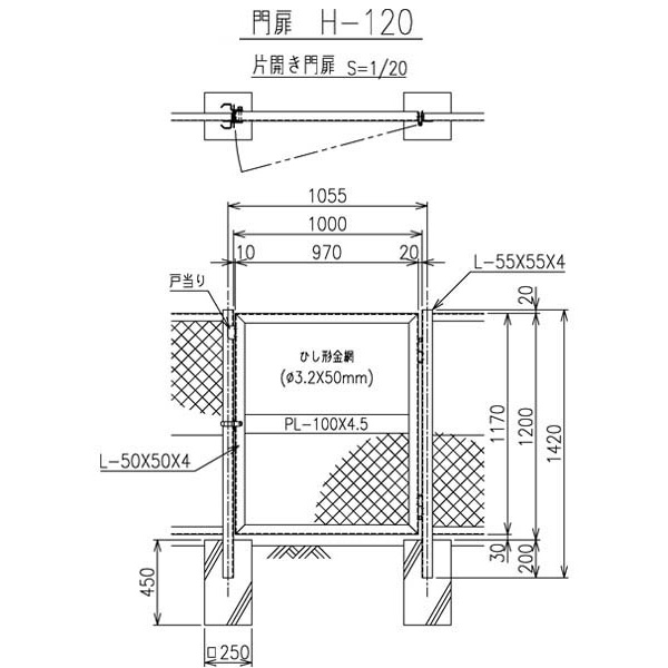
【門扉 片開】

門扉 片開
現場や管理地などの出入口に!
軽量かつ強度に優れた国内製造門扉。
あらゆる環境に適応するベーシックタイプ。
すべての部材は防錆性に優れ、高い耐久力を発揮!
業務用に、工事現場、工場・倉庫、農場、河川や電気設備など、管理地への出入口に使用に使用されています。

ご注意事項
商品はお客様組み立て品です。
設置には基礎工事が必要です。
ブレースは付属していません。
配達の時間帯指定はお受けできません、現場直送の際はご留意下さい。
当店は片開きのみの取り扱いです、図面データの両開きは取り扱い出来ません。
| 商品名 | 門扉 片開 |
|---|---|
| 素材・材質 | 鋼材、粉体塗装(ポリエステル樹脂系塗料) |
| 色 | ブライトグリーン |
| 製造国 | 日本 |
| メーカー | (株)ニッケンフェンス&メタル |
おすすめフェンス
トップ > ガーデニング > 門扉 片開(W1055)




